艾莱特斯在全球30+国家设有官方代理
PC 外螺纹直通 - 快速接头 - 快插式气动接头
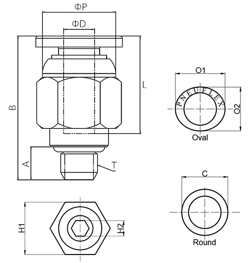
外螺纹接头(外螺纹直通)快插式气动接头广泛应用于气动系统中。外螺纹快插接头将气管与内螺纹接口直线连接起来。接头内置的释放环和不锈钢锁紧卡爪提供了快速锁紧与释放机构,可实现气管的轻松连接与拆卸,且不会对气管造成损坏。接头采用黄铜镀镍制造,具有耐腐蚀性。外部使用开口扳手或梅花扳手拧紧,内部使用内六角扳手调节。适配公制气管外径范围从4mm到16mm,英制气管外径范围从1/8"到5/8"。螺纹尺寸涵盖10-32UNF、M5、1/8……至3/4不等,包含多种螺纹类型。
适用气管外径:公制:ø4mm, ø5mm, ø6mm, ø7mm, ø8mm, ø9mm, ø10mm, ø11mm, ø12mm, ø13mm, ø14mm, ø15mm, ø16mm;英制:ø1/8", ø5/32", ø3/16", ø1/4", ø5/16", ø3/8", ø1/2", ø5/8";
螺纹规格:公制(M5, M6...)、英制管螺纹(R/G1/8, R/G1/4...)、美制(NPT1/8, NPT1/4...)、UNF(10-32)等
| 适用流体: | 压缩空气, 真空, 水(未冻结) |
| 主体材质: | 铜(镀镍) |
| 密封圈材质: | NBR |
| 使用压力范围: | 0∼1.0MPa | 0∼150psi |
| 保证耐压力: | 3.0Mpa | 435psi |
| 使用负压范围: | -100Kpa | -29.5 In Hg |
| 环境温度及使用流体温度: | -20∼80°C | -4∼176°F |
| 卡簧材质: | 不锈钢 |
| 适用管材质: | 聚氨酯(PU)管 / 尼龙(PA)管 / PE管 / PVC管 / 铁氟龙管... |
PC 外螺纹直通 - 快速接头产品列表
每次使用时请检查气管切断面是否是直角,并确保气管外部表面没有损坏或者划痕且没有变形。当插入气管到配件时,则依次会有两处感知。第一处(卡气管的卡簧以及第二处密封用的密封圈。请务必把气管插入第二处示例图的位置即必须要确保气管完全地插入到配件内部底部。最后,需要轻轻回拉气管以确保气管被卡紧而不会被轻易拉出。 在断开气管和接头配件的连接之前,请确保气管的内部压力为零。拆卸气管时,需要用力按压释放按钮使得卡簧完全 张开后再拔出气管即可。如果按压释放按钮的压力不足,则有可能无法拔出气管且损伤其外部表面产生刮痕,进而导致漏气。 请不要在拔出气管时扭动或者旋转气管,否则气管表面很有可能会被不锈钢卡簧划出沟槽,从而导致气管难以拔出。 我司可提供圆型及椭圆型按钮。圆型按钮体型小,节省空间;椭圆型按钮按触面积大,更容易拆卸管子。


